Family

Aged Natural Woods

Traditional forms with painted and hammered finishes


Collection

Old Walnut and White Washed



LPM picture-frames: Aged Natural Woods
Family: Aged Natural Woods Collection: Old Walnut and White Washed
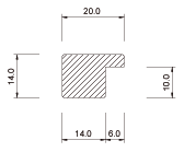
Profile:3001
Profile Code: 3001
No. of products with this profile: 5
3001.4520
Profile:3002
Profile Code: 3002
No. of products with this profile: 5
3002.4520
Profile:3003
Profile Code: 3003
No. of products with this profile: 2
3003.4520
Profile:3005
Profile Code: 3005
No. of products with this profile: 2
3005.4520
Profile:3012
Profile Code: 3012
No. of products with this profile: 1
3012.4970
Profile:3025
Profile Code: 3025
No. of products with this profile: 1
3025.4370
Profile:3026
Profile Code: 3026
No. of products with this profile: 2
3026.4370
Profile:3028
Profile Code: 3028
No. of products with this profile: 1
3028.4450
Profile:3064
Profile Code: 3064
No. of products with this profile: 2
3064.4350
Profile:3200
Profile Code: 3200
No. of products with this profile: 2
3200.4500
Profile:3201
Profile Code: 3201
No. of products with this profile: 2
3201.4500
Profile:3202
Profile Code: 3202
No. of products with this profile: 2
3202.4500